 
 
   
 
  



    应用- 车削加工- 仿形加工- 割槽加工 切断加工 
 联系电话:18706856083
     
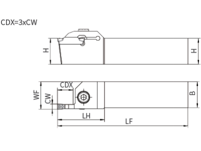
MCD系列刀杆采用类W型式(W形+圆弧压紧)压紧定位结构,有效保证加工稳定性。
刀杆型式种类多可根据不同需求进行定制,满足不同工况使用。 MCD系列刀杆由用于加工外圆结构特征,端面结构特征和内孔结构特征的刀杆及MCD系列刀片组成。
采用全新纳米结构的PVD涂层。
硬质合金基体具有较高的热硬性和抗塑性变形能力。
通过特殊技术的处理,进一步增强耐热性能。
适用于不锈钢、高温合金等材料。
400-029-2733
     
     
     
     
 
 
     
 
     
 
     
 
     全国服务热线
全国服务热线