热门关键词: 可转位铣刀 非标铣刀 刀具定制 非标刀具 非标刀具定制
零件材质:高温铸钢
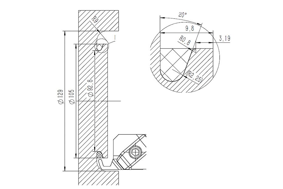
加工内容:20°、R2.25、R1
加工设备:数控车床
切削参数:Vc=60~90m/min
全国服务热线
QQ咨询
400电话
返回顶部